+7 (912)-751-33-24Заказать звонок
Заказать звонок

Оставьте Ваше сообщение и контактные данные и наши специалисты свяжутся с Вами в ближайшее рабочее время для решения Вашего вопроса.

Ваш телефон
Ваш телефон*
Ваше имя
Ваше имя

* - Поля, обязательные для заполнения

Сообщение отправлено
Ваше сообщение успешно отправлено. В ближайшее время с Вами свяжется наш специалист
Закрыть окно
arbatex@list.ru
Каталог товаров
Подписка на новости магазина

Подпишитесь на рассылку и получайте свежие новости и акции нашего магазина.

Описание товара:

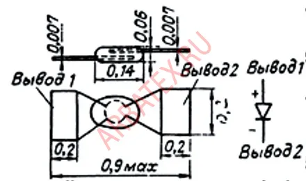
Диоды 2А566А-3 кремниевые, эпитаксиальные, переключательные. Рабочим элементом диода является полупроводниковая структура типа p-i-n.
395 руб. / шт Цена не является конечной и требует уточнения у менеджера.
В наличииВ наличии
Загрузка
Рассчитываем стоимость доставки
Пожалуйста подождите, рассчет займет немного времени

Описание товара

Описание


Диоды 2А566А-3 кремниевые, эпитаксиальные, переключательные. 
Рабочим элементом диода является полупроводниковая структура типа p-i-n.
Предназначены для применения в переключающих устройствах, фазовращателях, модуляторах, аттенюаторах сантиметрового и дециметрового диапазонов длин волн в составе гибридных интегральных микросхем, обеспечивающих герметизацию и защиту приборов от воздействия влаги, соляного тумана, плесневых грибов, инея и росы, пониженного и повышенного давления. 
Выпускаются в бес корпусном исполнении без кристаллодержателя с балочными выводами. Тип диода приводится на этикетке. 

Параметры и характеристики


Масса диодов не более 0,5 мг.
Пример записи условного обозначения при заказе и в конструкторской документации:
диод СВЧ 2А566А-3, АЕЯР.432.135.065 ТУ.

• Iпр макс, А - Максимальный прямой ток
• Uобр и макс, В - Максимальное импульсное обратное напряжение
• Iпр и макс, А - Максимальный импульсный прямой ток
• Uпр макс, В - Постоянное прямое напряжение
• fд макс, кГц - Максимальная рабочая частота
• Сд, пФ - Общая ёмкость
• Ioбp, мкА - Постоянный обратный ток
• Uoбp макс, В - Максимальное постоянное обратное напряжение
• tвoc обр, мкс - Время обратного восстановления
• Ioбp и макс, мА - Импульсный обратный ток
• Pрас, мВт - Непрерывная рассеиваемая мощность
• Мин наработка, ч - Минимальная наработка
• Тип диода - Тип СВЧ диода
• Pрас и, Вт - Импульсная рассеиваемая мощность
Добавить отзыв
Ваша оценка:
Отправить отзыв

Похожие товары (8)

395 руб. / шт Цена не является конечной и требует уточнения у менеджера.
В наличииВ наличии
2А566А-3 диод
Задать вопрос

Ваше имя*
Контактный телефон*
E-mail
Вопрос*

* - Поля, обязательные для заполнения

Сообщение отправлено
Ваше сообщение успешно отправлено. В ближайшее время с Вами свяжется наш специалист
Закрыть окно
Купить в один клик
Заполните данные для заказа
Запросить стоимость товара
Заполните данные для запроса цены
Запросить цену Запросить цену